加入購物車成功!
電磁流量計結構組成:
磁路系統:其作用是產生均勻的直流或交流磁場。直流磁路用長久磁鐵來實現,其優點是結構比較簡單,受交流磁場的干擾較小,但它易使通過測量導管內的電解質液體極化,使正電極被負離子包圍,負電極被正離子包圍,即電極的極化現象,并導致兩電極之間內阻增大,因而嚴重影響儀表正常工作。當管道直徑較大時,長久磁鐵相應也很大,笨重且不經濟,所以電磁流量計一般采用交變磁場,且是50HZ工頻電源激勵產生的。
測量導管:其作用是讓被測導電性液體通過。為了使磁力線通過測量導管時磁通量被分流或短路,測量導管須***采用不導磁、低導電率、低導熱率和具有一定機械強度的材料制成,可選用不導磁的不銹鋼、玻璃鋼、高強度塑料、鋁等。
電極:其作用是引出和被測量成正比的感應電勢信號。電極一般用非導磁的不銹鋼制成,且被要求與襯里齊平,以便流體通過時不受阻礙。它的安裝位置宜在管道的垂直方向,以防止沉淀物堆積在其上面而影響測量精度。
外殼:應用鐵磁材料制成,是分配制度勵磁線圈的外罩,并隔離外磁場的干擾。
襯里:在測量導管的內側及法蘭密封面上,有一層完整的電絕緣襯里。它直接接觸被測液體,其作用是增加測量導管的耐腐蝕性,防止感應電勢被金屬測量導管管壁短路。襯里材料多為耐腐蝕、耐高溫、耐磨的聚四氟乙烯塑料、陶瓷等。
轉 換 器:由液體流動產生的感應電勢信號十分微弱,受各種干擾因素的影響很大,轉換器的作用就是將感應電勢信號放大并轉換成統一的標準信號并抑制主要的干擾信號。其任務是把電極檢測到的感應電勢信號經放大轉換成統一的標準直流信號。
電磁流量計產品特點:
1、測量不受流體密度、粘度、溫度、壓力和電導率變化的影響;
2、測量管內無阻礙流動部件,無壓損,直管段要求較低。對漿液測量有******的適應性;
3、系列公稱通徑DN10~DN3000。傳感器襯里和電極材料有多種選擇;
4、轉換器采用新穎勵磁方式,功耗低、零點穩定、準確度高。流量范圍度可達1500:1;
5、轉換器可與傳感器組成一體型或分離型;
6、轉換器采用16位高性能微處理器,2x16LCD顯示,參數設定方便,編程可靠;
7、電磁流量計為雙向測量系統,內裝三個積算器:正向總量、反向總量及差值總量;可顯示.莊、反流量,并具有多種輸出:電流、脈沖、數字通訊、HART;
8、轉換器采用表面安裝技術(SMT),具有自檢和自診斷功能;
電磁流量計技術數據:
1、整機和傳感器技術數據:
執行標準 | JB/T 9248—1999 | ||||
公稱通徑 | 管道式四氟襯里:DN10~DN600 管道式橡膠襯里:DN10~DN3000 | ||||
流速范圍 | 0.1~15m/s | ||||
準確度 | DNl5~DN600 | 示值的:±0.3%(流速≥1m/s);±3mm/s(流速<1m/s) | |||
DN700—DN3000 | 示值的±0.5%(流速≥0.8m/S);±4mm/s(流速<0.8m/S) | ||||
流體電導率 | ≥5uS/cm | ||||
公稱壓力 | 4.0MPa | 1.6MPa | 1.0MPa | 0.6MPa | 6.3、10MPa |
DNl0~DN50 | DN65~DN200 | DN250~DN1000 | DN1200~DN3000 | 特殊訂貨 | |
環境溫度 | 傳感器 | —25℃—十60℃ | |||
轉換器及一體型 | —10℃—十60℃ | ||||
襯里材料 | 聚四氟乙烯、聚氯丁橡膠、聚氨酯、聚全氟乙丙烯(F46)、加網PFA | ||||
高流體溫度 | —體型 | 70℃ | |||
分離型 | 聚氯丁橡膠襯里 | 80℃;120℃(訂貨時注明) | |||
聚氨酯襯里 | 80℃ | ||||
聚四氟乙烯襯里 | 100℃;150℃(訂貨時注明) | ||||
聚全氟乙丙烯(F46) | |||||
加網PFA | |||||
信號電極和接地電極材料 | 不銹鋼0Crl8Nil2M02Ti、哈氏合金C、哈氏合金B、鈦、鉭、鉑/銥合金、不銹鋼涂覆碳化鎢 | ||||
電極刮刀機構 | DN300—DN3000 | ||||
連接法蘭材料 | 碳鋼 | ||||
接地法蘭材料 | 不銹鋼1Crl8Ni9Ti | ||||
進口保護法蘭材料 | DN65—DNl50 | 不銹鋼1Crl8Ni9Ti | |||
DN200~DNl600 | 碳鋼十不銹鋼1Crl8Ni9Ti | ||||
外殼防護 | DNl5~DN3000分離型橡膠或聚氨酯襯里傳感器 | IP65或IP68 | |||
其他傳感器、——體型流量計和分離型轉換器 | IP65 | ||||
間距(分離型) | 轉換器距離傳感器一般不超過100m | ||||
2、轉換器技術數據:
電源 | 交流 | 85—265V,45—400Hz |
直流 | 11—40V | |
操作鍵和顯示 | 按鍵式 | 4個薄膜按鍵可設定選擇全部參數,也可利用PC機(RS232)對轉換器設定編程;3行LCD寬視角、寬溫、帶背光顯示;第1行顯示流量值;第2行顯示流量單位;第3行顯示流量百分比、正向總量、反向總量、差值總量、報警、流速。 |
磁鍵式 | 2個磁鍵用于顯示參數的選擇和復位,利用PC機(RS232)對轉換器設定編程;2行LCD寬視角、寬溫、帶背光顯示:第1行:磁鍵選擇:顯示流量百分比、正向總量、反向總量、差值總量、報警、流速。第2行:顯示流量。 | |
內部積算器 | 正向總量、反向總量及差值總量。 | |
輸出信號 | 單向模擬輸出 | 全隔離,負載≤600D.(20mA時);上限:0—21mA可選,每檔lmA;下限:0—21mA可選,每檔1mA;正、反向流量輸出方式編程。 |
雙向模擬輸出 | 下限限制為。或4mA,其他同單向模擬輸出。 | |
雙向脈沖輸出 | 兩路輸出分別對應正向和反向流量,頻率0~800Hz,上限1—800Hz可選,每檔IHz;方波或選定脈寬,選定脈寬上限2.5S,每檔1ms;無源隔離晶體管開關輸出,可吸收250mA的電流,耐壓35V。 | |
雙路報警輸出 | 可報警(編程)高/低流量、空管、故障狀態、正,,反向流量、模擬量超量程、脈沖量超量程、脈沖小信號切除,輸出極性可選;帶隔離保護的晶體管開關輸出,可吸收250mA的電流,耐壓35V.(與脈沖輸出不隔離) | |
數字通訊 | RS232,RS485,HART | |
3、襯里的選擇:
襯里材料 | 主要性能 | 高介質溫度 | 適用范圍 | |
—體型 | 分離型 | |||
聚四氟乙烯(F4) | 是化學性能穩定的一種塑料,能耐沸騰的鹽酸、硫酸、******和王水,也能耐濃堿和各種有機溶劑。不耐三氟化氯、高溫三氟化氯、高流速液氟、液氧、自氧的腐蝕。 | 70℃ | 100℃ 150℃ (需特殊訂貨) | 1、濃酸、堿等強腐蝕性介質。 2、衛生類介質。 |
聚全氟乙丙烯(F46) | 同F4,耐磨性、抗負壓能力高于F4。 | 同上 | ||
聚氟合乙烯(Fs) | 適用溫度上限較聚四氟乙烯低,但成本也較低。 | 80℃ | ||
聚氯丁橡膠 | 1、有******的彈性,高度的扯斷力,耐磨性能好。2、耐一般低濃度酸、堿、鹽介質的腐蝕,不耐氧化介質的腐蝕。 | 80℃ 120℃ (需特殊訂貨) | 水、污水、弱磨損性的泥漿礦漿。 | |
聚氨酯橡膠 | 1、耐磨性能極強。 2、耐腐蝕性能較差。 | 80℃ | 中性強磨損的礦漿、煤漿、泥漿 | |
4、進口保護法蘭和接地法蘭(或接地環)的選擇:
蘭種類 | 適 用 范 圍 |
接地法蘭(或接地環) | 適用于非導體管道,如塑料管道,但有接地電極的傳感器不需要。 |
進口保護法蘭 | 當介質有強磨損性時選用。 |
5、電極的選擇:
電極材料 | 耐蝕及耐磨性能 |
不銹鋼0Crl8Nil2M02Ti | 用于工業用水、生活用水、污水等具有弱腐蝕性的介質,適用于石油、化工、鋼鐵等工業部門及,市政、環保等領域。 |
哈氏合金B | 對沸點以下的一切濃度的鹽酸有******的耐蝕性,也耐硫酸、磷酸、氫氟酸、有機酸等非氯化性酸、堿,非氧化性鹽液的腐蝕。 |
哈氏合金C | 能耐非氧化性酸,如******、混酸、或鉻酸與硫酸的混合介質的腐蝕,也耐氧化性鹽類如:Fe,”、、Cu”下或含其他氧化劑的腐蝕,如高于常溫的次氯酸鹽溶液、海水的腐蝕 |
鈦 | 能耐海水、各種氯化物和次氯酸鹽、氧化性酸(包括發煙硫酸)、有機酸、堿的腐蝕。不耐較純的還原性酸(如硫酸、鹽酸)的腐蝕,但如酸中含有氧化劑(如******、Fc++、Cu++)時,則腐蝕大為降低。 |
鉭 | 具有優良的耐蝕性和玻璃很相似。除了氫氟酸、發煙硫酸、堿外,幾乎能耐——切化學介質(包括沸點的鹽酸、******和l 50℃以下的硫酸)的腐蝕。在堿中刁;耐蝕。 |
鉑/鈦合金 | 幾乎能耐——切化學介質,但不適用于王水和銨鹽。 |
不銹鋼涂覆碳化鎢 | 用于無腐蝕性,強磨損性的介質。 |
注: 由于介質種類繁多,其腐蝕性又受溫度、濃度、流速等復雜因素影響而變化,故本表僅供參考。用戶應根據實際情況自己做出選擇,必要時應做擬選材料的耐腐試驗,如掛片試驗。 | |
電磁流量計選型表:
◆量程范圍確認
一般工業用電磁流量計被測介質流速以2~4m/s為宜,在特殊情況下,低流速應不小于0.2m/s,高應不大于8m/s。若介質中含有固體顆粒,常用流速應小于3m/s,防止襯里和電極的過分磨擦;對于粘滯流體,流速可選擇大于2m/s,較大的流速有助于自動消除電極上附著的粘滯物的作用,有利于提高測量精度。
在量程Q已確定的條件下,即可根據上述流速V的范圍決定流量計口徑D的大小,其值由下式計算:
Q=πD2V/4
Q:流量(㎡/h)D:管道內徑 V:流速(m/h)
量程Q應大于預計的流量值,而正常的流量值以稍大于流量計滿量程刻度的50為宜。
參考流量范圍:
口徑mm | 流量范圍m3/h | 口徑mm | 流量范圍m3/h |
φ15 | 0.06~6.36 | φ450 | 57.23~5722.65 |
φ20 | 0.11~11.3 | φ500 | 70.65~7065.00 |
φ25 | 0.18~17.66 | φ600 | 101.74~10173.6 |
φ40 | 0.45~45.22 | φ700 | 138.47~13847.4 |
φ50 | 0.71~70.65 | φ800 | 180.86~18086.4 |
φ65 | 1.19~119.4 | φ900 | 228.91~22890.6 |
φ80 | 1.81~180.86 | φ1000 | 406.94~40694.4 |
φ100 | 2.83~282.60 | φ1200 | 553.90~55389.6 |
φ150 | 6.36~635.85 | φ1600 | 723.46~72345.6 |
φ200 | 11.3~1130.4 | φ1800 | 915.62~91562.4 |
φ250 | 17.66~176.25. | φ2000 | 1130.4~113040.00 |
φ300 | 25.43~2543.40 | φ2200 | 1367.78~136778.4 |
φ350 | 34.62~3461.85 | φ2400 | 1627.78~162777.6 |
φ400 | 45.22~4521.6 | φ2600 | 1910.38~191037.6 |
型號表:
| 型號 | 通徑 | ||||||||
| LDE | 10~3000 | ||||||||
| 代號 | 安裝形式 | ||||||||
| S | 一體式 | ||||||||
| L | 分體式 | ||||||||
| 代號 | 轉換器型號 | ||||||||
| ZA | 圓形 | ||||||||
| ZB | 方形 | ||||||||
| 代號 | 輸出信號 | ||||||||
| I.4 | 4~20mA | ||||||||
| f | 頻率 1KHz | ||||||||
| Rs | 串行通訊(485) | ||||||||
| C | 控制輸出 | ||||||||
| 代號 | 防爆要求 | ||||||||
| N | 無防爆 | ||||||||
| EX | 防爆(僅適用于分體式) | ||||||||
| 代號 | 介質溫度 | ||||||||
| T1 | ≤65℃ | ||||||||
| T2 | ≤120℃ | ||||||||
| T3 | ≤180℃(僅適用于分體式) | ||||||||
| 代號 | 內襯材質 | ||||||||
| NE | 氯丁橡膠(≤65℃) | ||||||||
| PTFE | 聚四氟乙烯(≤189℃) | ||||||||
| PVC | 聚氯乙烯(≤70℃) | ||||||||
| 代號 | 電極材質 | ||||||||
| 316L | 不銹鋼 | ||||||||
| HC | 哈氏合金C | ||||||||
| HB | 哈氏合金B | ||||||||
| Ti | 鈦 | ||||||||
| Ta | 鉭 | ||||||||
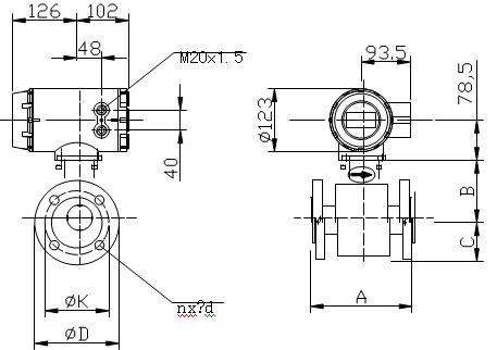
產品示意圖:














